How do they connect?

Status
Not open for further replies.

Paul Crook

Dabbler
Joined
Sep 14, 2017
Messages
16
Hi all. My first post and my first encounter with server-class equipment.

I'm considering a Supermicro X10SRH-CLN4F motherboard with their 3U SC833T-653B case, but I don't yet have a clear idea of how they interconnect. The motherboard, which has a SAS3 controller, has two mini-SAS connectors. The case's backplane appears to have a cluster of 8 SATA data connectors, so I need to buy two 4-SATA breakout cables? Is there a recommended brand?

I assume the backplane supplies power for all 8 drives and I see two 4-pin molex connectors on it. So I need just two runs from the power supply to provide all the current needed to spin up 8 7200 RPM drives?

Thanks.
 

BigDave

FreeNAS Enthusiast
Joined
Oct 6, 2013
Messages
2,479
I assume the backplane supplies power for all 8 drives and I see two 4-pin molex connectors on it. So I need just two runs from the power supply to provide all the current needed to spin up 8 7200 RPM drives?
Yes, typically (with Supermicro chassis) normal configuration runs four drives off one molex four pin connector.
 

Paul Crook

Dabbler
Joined
Sep 14, 2017
Messages
16
My case and motherboard arrived. I made one mistake so far. I didn't know there were two different types of mini-SAS connectors. I ordered SFF-8087 cables but I needed SFF-8643 instead. That's resolved.

Thanks for the response about the power cables, BigDave. The 650 watt supply that came with the Supermicro case has only three runs with 4-pin Molex connectors on them. When I dedicate two of them to the backplane, I only have one remaining for all the other front panel devices. I'll only be populating the optical drive initially (1), but eventually will be adding 2-4:
  1. Slimline optical RW drive (dedicated slot - Slimline data/power connector)
  2. ZIL SSD drive (half of floppy bay - one SATA power connector shared with L2 ARC SSD in dual 2.5" to 3.5" adapter bay)
  3. L2ARC SSD drive (other half of floppy bay)
  4. 12 SSDs (6 each in 6-bay Icy Dock hot swap enclosures in the two 5.25" bays - each with two 4-pin Molex power connectors)
This means I'll need four 4-pin Molex connectors, a SATA power connector and a Slimline SATA power connector all attached to the same single Molex coming from the supply. That's a lot of 4-pin Y adapters. Is this the right way to do it? I could also modify the power supply to bring out another Molex run. How do folks usually handle this problem?
 

BigDave

FreeNAS Enthusiast
Joined
Oct 6, 2013
Messages
2,479
This means I'll need four 4-pin Molex connectors, a SATA power connector and a Slimline SATA power connector all attached to the same single Molex coming from the supply.
I'm strongly urging you to not even think about doing this. IMHO the power supply you have will not be sufficient for the task.
My suggestion is to call Supermicro support and ask if there is another model PSU (that fits that chassis) that comes with more power plugs. Typically this
would in most cases be a unit with a higher wattage output. Good luck.
 

Paul Crook

Dabbler
Joined
Sep 14, 2017
Messages
16
It's too late to not even think about it, but I'm here to learn and I take your warning seriously. I don't mind getting a bigger supply with more 4-pin Molex runs. I've emailed Supermicro to see if one exists, but I expect it'll take a few days to get back a response. Meanwhile, I'd like to understand your opinion better.

This is a 650 watt supply. I have tried a couple of power supply calculators (including Sea Sonic's), entered all the proposed components and got back recommendations for much smaller (400 W) supplies. I have also read the Proper Power Supply Sizing Guidance thread and thought that a 650 watt supply would provide the current I'd need plus some headroom.

Did you object because I'll need more than 650 watts, or that I was going to overload the current handling capacity of a single Molex run, or that it's too many splitters and adapters on the same run, or something else?
 

SweetAndLow

Sweet'NASty
Joined
Nov 6, 2013
Messages
6,421
It's too late to not even think about it, but I'm here to learn and I take your warning seriously. I don't mind getting a bigger supply with more 4-pin Molex runs. I've emailed Supermicro to see if one exists, but I expect it'll take a few days to get back a response. Meanwhile, I'd like to understand your opinion better.

This is a 650 watt supply. I have tried a couple of power supply calculators (including Sea Sonic's), entered all the proposed components and got back recommendations for much smaller (400 W) supplies. I have also read the Proper Power Supply Sizing Guidance thread and thought that a 650 watt supply would provide the current I'd need plus some headroom.

Did you object because I'll need more than 650 watts, or that I was going to overload the current handling capacity of a single Molex run, or that it's too many splitters and adapters on the same run, or something else?
There second you start using splitter for molex you're probably doing something wrong. I find it really strange that supermicro would even sell you a power supply like that with the case. Normally they match up perfectly.
 

Paul Crook

Dabbler
Joined
Sep 14, 2017
Messages
16
Hi SweetAndLow. Thanks for responding.

By "matching perfectly", do you mean there is usually the right number and types of power connectors for every slot? I think they do match perfectly for the intended use for my case.

If I use two of the three power runs for the backplane, that's a match. This case also has a slim optical bay, a 3.5" floppy bay and two 5.25" bays. The third run from the power supply appears to have power connectors for a floppy drive, a Supermicro optical drive and two spinners. Perfect.

My problem with power hookups is self-inflicted because I want to use the floppy and 5.25" bays to hold as many hot-swappable 2.5" SSDs as I reasonably can. Physically, that's two in the floppy bay and 12 in the 5.25"s. So I need to route power to three Icy Dock cages and a slim-SATA optical drive, rather than what Supermicro envisioned.

I get the impression that 850 EVOs are well under two watts each when busy. So worst case maybe 28 watts for the bunch plus 3 for the optical drive? 31 watts on one run doesn't seem unreasonable. Each run to the backplane will power four WD gold 10 TBs, which peak at over 28 watts when all 4 are busy.

In real life, I wouldn't use a bunch of splitters and adapters. I'd make a harness that adapts from their two Molex connectors to the connectors I need, and where each pigtail is the right length. It'd be properly gauged and crimped and routed and all that.

Does my plan still seem crazed?
 

Inxsible

Guru
Joined
Aug 14, 2017
Messages
1,123
I don't completely get the wiring diagram that you have in mind, but putting more than 4 drives on a molex cable is inviting trouble. -- Although that's for HDDs. SSDs might be different because their power requirements are different. But even then, you have to account for the losses as the distance get longer between the drive and the PSU, which would make putting more than 4/5 SSDs on a single cable quite problematic.
 

Paul Crook

Dabbler
Joined
Sep 14, 2017
Messages
16
Hi Inxsible. Thanks for your response.

I wouldn't be adding a lot of length to the supplied cable because these three bays are physically near each other; maybe an additional 6 inches in the worst case. Supermicro used one foot lengths of 16 gauge stranded copper wire on this Molex run. I used this current rating calculator, entering copper, 16 gauge, a 1 foot length and load of 7 amps at 6 volts DC (they didn't have 5 volts in their drop-down). I ran it again for a 1.5 foot length with all the other parameters the same, and the difference in voltage drop was less than one half of one percent. So the additional length I'm considering shouldn't be noticeable. Then again, I am not an electronics engineer and I welcome other opinions.

But all that is moot now.

I said that an EVO 850 will draw less than 2 watts while busy, but it turns out that this is only true of their sub-TB drives. I'd want 1 TB drives at a minimum and the 2 TB ones pull 4.7 watts peak, which is more than half of what the spinners need. With 14 SSDs that's now 66 watts plus the optical drive, all on a single run from the power supply. Worse yet, I assumed that the SSDs would get their power mostly from the 12 V rail like HDDs do, which would take 5.5 amps. Instead, all 66 watts will come off the 5 V rail. That's 13.2 amps and 88% of the current capacity of the wire. Holy smoke! I am back to the drawing board. Now I better understand why BigDave didn't want me to even think about putting all this on a single power cable.

So I bought the wrong case. I got an SC833T-653B with a PWS-653-2H 650 watt supply, but I now see there's an SC833T-R760B (discontinued) that has a PWS-0050M, which appears to be a triple-redundant 2+1 (whatever that is) 760 watt supply with a power distributor (whatever that is). My case manual shows that same power supply as an option, so I'm thinking that I can buy a PWS-0050M and a power distributor and convert my case into a -R760B. I found this list that shows the numbers and types of connectors for all of Supermicro's power supplies by model number. My power supply has three of what they call "4-pin legacy HDD" connectors. The PWS-0050M has six. I hope that means 6 cables as opposed to just 6 connectors on fewer cables. Maybe supporting my extra SSDs will be possible after all.
 
Last edited:

Inxsible

Guru
Joined
Aug 14, 2017
Messages
1,123

Paul Crook

Dabbler
Joined
Sep 14, 2017
Messages
16
That's exactly the problem though. How can I become sure? I've never seen some of this stuff before and am doing my best to interpret low resolution pictures, marketing verbage and posts to user groups. Supermicro is being glacially slow to respond to my question about an alternate power supply.

What would really help is to talk to someone who has an SC833T-R760 case or the PWS-0050M power supply and could tell me how many 4-pin Molex runs there are. Does somebody here have one?

I have the impression that it's really the power distribution unit that defines what cable runs are present. I am further confused because there are two different models that appear to apply here. My case manual refers to a CSE-PT833-PD382 that goes with the 760 watt option that I didn't get.

upload_2017-9-29_0-52-28.png



The SC833T-R760 data sheet refers to a PDB-PT933-8824.

upload_2017-9-29_0-54-20.png



I have not yet found anything that describes these devices and their differences, and the pictures I've found have the cables cinched up in a bundle so I can't get a count. Neither are available on the Supermicro eStore nor can I find data sheets for them. I am way open to suggestions here.
 

Paul Crook

Dabbler
Joined
Sep 14, 2017
Messages
16
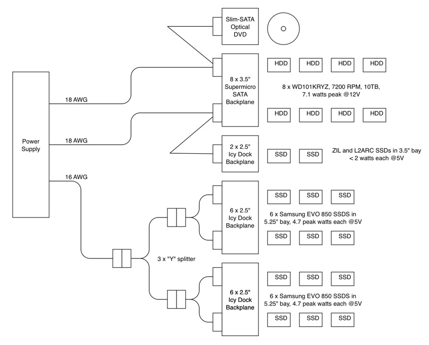
A picture is worth a thousand words. This is what I'm considering doing:

upload_2017-10-4_0-54-38.png
 

Evi Vanoost

Explorer
Joined
Aug 4, 2016
Messages
91
I don't see why that would be a problem. I also find it odd the system didn't come pre-wired.

Do you need both molex connectors on the backplane though? Typically that's only necessary for dual-power supplies. Check your manual, one molex connector per backplane should be sufficient and typically you'll have two indicated for dual power supplies.

Ideally, you wouldn't have two consecutive Y-cables. You should put splitters on all 3 runs (provided they are actually separate 12V/5V lines).

Given you say there is a different AWG it indicates that some lines may not carry as much current as other ones.
 

Paul Crook

Dabbler
Joined
Sep 14, 2017
Messages
16
Hello Evi.

The reason it didn't come prewired for this configuration is because I went off the Supermicro reservation when I started using Icy Dock backplanes. Supermicro offers an optional 8 x 2.5" cage that takes up both 5.25" bays, but Icy Dock lets me fit 12 in the same space; 16 if I want to use their 8-slot cages.

Your comment about only needing one power connector per backplane is new to me. I'll consult the manuals. If true, I'll redraw the routing because this becomes a bit simpler and would eliminate the cascaded splitters.
 

Paul Crook

Dabbler
Joined
Sep 14, 2017
Messages
16
It appears that both power connectors must be used on all the backplanes. That's implied in the case manual, and explicitly stated in the manual for the optional 2.5" cage. The Icy Dock manual also shows pictures with both 4-pin Molex connectors plugged into separate power cables. I calculated that 12 2TB EVO 850s would peak at 11.28 amps at 5V. That's pushing it for 18 AWG wire, which is probably why they double-up.

In the redundant power supplies from Supermicro that I've seen, a power distribution unit allows multiple supplies to feed a single wiring harness rather than having cables from each supply run directly to devices.
 
Status
Not open for further replies.
Top